Recent Post

2005 Frontier Wiring Diagram

2005 Frontier Wiring Diagram
2005 Frontier Wiring Diagram

38+ 2005 Frontier Wiring Diagram PNG. 2005 nissan frontier trailer wiring. 301 nissan frontier workshop, owners, service and repair manuals.

| Repair Guides | Electrical System (1999) | Starting ...
| Repair Guides | Electrical System (1999) | Starting ... from repairguide.autozone.com
Fuso engine electric management system schematics. We've checked the years that the manuals cover and we. Do you have wiring diagram for 2005 columbia.

I called around and got a hold of a nissan dealer.

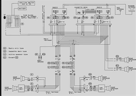
Pink car radio accessory switched 12v+ wire: There should be a link for the service manuals floating around here somewhere. The above typical ignition system wiring diagram applies only to the 1999, 2000, 2001, 2002, 2003, 2004 3.3l nissan frontier and xterra. • the discharge valve wiring has been deleted from the edu wiring diagram.


2005 Frontier Wiring Diagram articles that will help you about 2005 Frontier Wiring Diagram in here. You can look below from can cats eat peanut butter.

Showing posts matching the search for 2005 Frontier Wiring Diagram
Advertisement