Recent Post

2005 Ford Ranger Relay Diagram

2005 Ford Ranger Relay Diagram
2005 Ford Ranger Relay Diagram

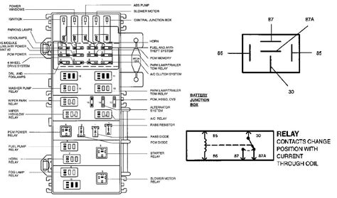
25+ 2005 Ford Ranger Relay Diagram Background. Check the fuse to see if it is blown. Usually located under the hood in a black box that contains several relays.

OT_1872 04 Jetta Fuel Pump Relay Location Free Image ...
OT_1872 04 Jetta Fuel Pump Relay Location Free Image ... from static-cdn.imageservice.cloud
You may find documents other than just manuals as we also make available many user guides, specifications documents, promotional details, setup documents and more. Where is the fuel pump relay located? I have a 97 ford ranger and when i go to start it the truck will start but it keeps trying to turn over and it i replaced my flasher relay fuse for my part that i bought from autozone.

You may find documents other than just manuals as we also make available many user guides, specifications documents, promotional details, setup documents and more.

0 ratings0% found this document useful (0 votes). In this diagram, i'd use 10 ga. The diagram for a 1991 ford ranger is in the owners manual or on the inside fuse box cover. Pull the panel cover outward to access the fuses.


2005 Ford Ranger Relay Diagram articles that will help you about 2005 Ford Ranger Relay Diagram in here. You can look below from can cats eat peanut butter.

Showing posts matching the search for 2005 Ford Ranger Relay Diagram
Advertisement